BA是楼宇自动控制的英文缩写:Building Automation,主要控制内容是办公楼、酒店、商场、工厂等里面的机电设备;现在这方面流行的主要品牌还是国外品牌,如江森、霍尼韦尔、西门子等。BA主要关注在自动化控制和节能方面,新建的建筑里面都会有这个系统了。
BA是弱电系列里面最复杂的一个子系统,他和暖通、水、电、风等各个系统都有联系,这学好这个系统,建议最好是从现场开始,知识面要宽。
希望能帮到你!
请问西门子组态软件好学吗?想学要那些书较好?
使用官方的手册最好,建议先看“入门手册”:WinCC V6.2 使用入门手册
下载方式如下:
直接到http://www.ad.siemens.com.cn
进入“支持中心”
进入“下载中心”
选择“自动化系统——》WinCC”
文档编号 文档中文名称 文档英文名称 产品类别 订货号 出版日期 下载 / 收藏
37436836 WinCC V7.0 通信手册 WinCC V7 Communication Manual WinCC(脚本、图形、归档、选件) 37436836 2009/09/18 4.10MB
通信手册是有关过程通信的详细配置文档,主要介绍了WinCC所支持的各种通信方式和具体配置方法
以下为关联文档,请勾选后下载:
WinCC V6.0 通信手册(英文)
WinCC V7.0 使用手册(英文)
WinCC V6.0 使用手册(英文)
WinCC V7.0 使用入门手册(英文)
WinCC通讯手册2
WinCC通讯手册1
WinCC V6.2 使用入门手册
37436832 WinCC V7.0 组态手册 WinCC V7.0 configuration manual WinCC(脚本、图形、归档、选件) 37436832 2009/09/17 1.66MB
针对WinCC V7.0分别介绍了多用户系统、归档服务器、文件服务器、WinCC 服务模式以及冗余系统等功能,详细说明了工作原理和组态步骤。
以下为关联文档,请勾选后下载:
WinCC V6.0 选件手册(英文)
37436844 WinCC V7.0通用信息手册(英文) WinCC: General information WinCC(脚本、图形、归档、选件) 37436844 2009/07/17 4.41MB
在通用信息手册中着重进行系统综述,概括介绍了WinCC的应用、架构、以及组态,包括WinCC的工作方式以及各个系统组件所实现的功能,另外针对项目移植、诊断、授权以及性能数据也分别进行了阐述
以下为关联文档,请勾选后下载:
WinCC V7.0 系统描述手册(英文)
37436840 WinCC V7.0 使用手册(英文) WinCC: Working with WinCC WinCC(脚本、图形、归档、选件) 37436840 2009/07/15 23.49MB
使用手册全面而详细地介绍了WinCC各基本组件的使用方法及组态步骤,可以有针对性地逐步了解其中所述的具体内容,主要包括项目、变量、画面、报警消息、变量记录、报表、用户管理以及WinCC与Simatic Manager的集成
以下为关联文档,请勾选后下载:
WinCC V6.0 选件手册(英文)
WinCC V7.0 通信手册
WinCC V6.0 通信手册(英文)
WinCC V6.0 使用手册(英文)
WinCC V7.0 使用入门手册(英文)
WinCC通讯手册2
WinCC通讯手册1
WinCC组态手册3
WinCC组态手册2
WinCC组态手册1
WinCC选项手册
WinCC V5 手册2
WinCC V5 手册1
WinCC V6.2 使用入门手册
32107026 WinCC V7.0 系统描述手册(英文) SIMATIC HMI WinCC V7.0 System description WinCC(脚本、图形、归档、选件) A1900-L531-B996-X-7600 2009/01/21 4.67MB
在系统描述中主要介绍了WinCC的系统结构特点、项目组态及系统功能,同时也介绍了WinCC丰富的选件/附加件以及功能扩展
以下为关联文档,请勾选后下载:
WinCC V7.0通用信息手册(英文)
29221062 WinCC V7.0 使用入门手册(英文) SIMATIC V7.0 SP1 Getting started WinCC(脚本、图形、归档、选件) A5E02211557-01 2008/10/08 11.50MB
对于初次使用WinCC的用户在了解了WinCC系统概述及信息后可以按照使用入门手册逐步创建项目,针对WinCC项目中最为常见的功能,手册中描述了详细的组态步骤
以下为关联文档,请勾选后下载:
WinCC V7.0 通信手册
WinCC V6.0 通信手册(英文)
WinCC V7.0 使用手册(英文)
WinCC V6.0 使用手册(英文)
WinCC通讯手册2
WinCC通讯手册1
WinCC组态手册2
WinCC组态手册1
WinCC V5 手册2
WinCC V5 手册1
WinCC V6.2 使用入门手册
17356933 WinCC V6.2 使用入门手册 WinCC V6.2 Getting Started WinCC(脚本、图形、归档、选件) 6ZB5370-0CM02-0BA5 2007/03/01 1.36MB
对于初次使用WinCC的用户在了解了WinCC系统概述及信息后可以按照使用入门手册逐步创建项目,针对WinCC项目中最为常见的功能,手册中描述了详细的组态步骤
关键字:installation,processvalues,alarm,alarmmessagesequencereport,tagloggingruntimereport
以下为关联文档,请勾选后下载:
WinCC V7.0 通信手册
WinCC V6.0 通信手册(英文)
WinCC V7.0 使用手册(英文)
WinCC V6.0 使用手册(英文)
WinCC V7.0 使用入门手册(英文)
WinCC通讯手册2
WinCC通讯手册1
WinCC组态手册2
WinCC组态手册1
WinCC V5 手册2
WinCC V5 手册1
21320307 WinCC V6.0 通信手册(英文) WinCC V6 Communication Manual WinCC(脚本、图形、归档、选件) A5E00391331-01 2005/08/30 7.32MB
通信手册是有关过程通信的详细配置文档,主要介绍了WinCC所支持的各种通信方式和具体配置方法
以下为关联文档,请勾选后下载:
WinCC V7.0 通信手册
WinCC V7.0 使用手册(英文)
WinCC V6.0 使用手册(英文)
WinCC V7.0 使用入门手册(英文)
WinCC通讯手册2
WinCC通讯手册1
WinCC V6.2 使用入门手册
15343333 WinCC V6.0 选件手册(英文) WinCC V6.0 Options WinCC(脚本、图形、归档、选件) A5E00221821 2003/07/15 1.53MB
手册针对WinCC V6.0介绍了用户归档、多用户系统、归档服务器、文件服务器以及冗余系统等功能,详细说明了工作原理和组态步骤。
以下为关联文档,请勾选后下载:
WinCC V7.0 组态手册
WinCC V7.0 使用手册(英文)
WinCC V6.0 使用手册(英文)
WinCC组态手册3
WinCC选项手册
15342782 WinCC V6.0 使用手册(英文) WinCC V6.0 Basic Documentation WinCC(脚本、图形、归档、选件) A5E00221799 2003/07/15 3.66MB
使用手册全面而详细地介绍了WinCC各基本组件的使用方法及组态步骤,可以有针对性地逐步了解其中所述的具体内容,主要包括项目、变量、画面、报警消息、变量记录、报表、用户管理以及WinCC与Simatic Manager的集成
以下为关联文档,请勾选后下载:
WinCC V6.0 选件手册(英文)
WinCC V7.0 通信手册
WinCC V6.0 通信手册(英文)
WinCC V7.0 使用手册(英文)
WinCC V7.0 使用入门手册(英文)
WinCC通讯手册2
WinCC通讯手册1
WinCC组态手册3
WinCC组态手册2
WinCC组态手册1
WinCC选项手册
WinCC V5 手册2
WinCC V5 手册1
WinCC V6.2 使用入门手册
我想请问下,霍尼韦尔、西门子、江森,这三家楼宇自控方面,各家的特色是什么~~
这3家自控产品里面只要是原厂的正品,品质都差不多,各别项目里面的配置经济性会有区别。江森的系统不开放是个死穴,也是同行重点关注的对象,甲方犹豫也是从这个地方开始的,系统掌握的人越多后面相关问题的解决方案也会越多;西门子的模块配的很厉害,很多、很全,但是遇到对理论基础好的甲方推荐的难度也不小,西门子的产品线也很全,热电、工控领域都很强,相比之下楼控就变成捎带做的了,主要还是代理商在推;霍尼自动化控制的东西就太多了,可以说是复杂,产品系列也多,覆盖高中低档,这是竞争对手关注的重点。即使楼控方面也是,包含WEBS、5000、艾顿、卓灵4个系统,技术上讲WEBS的优势确实很明显,尤其是霍尼niagara平台确实很强大,让WEBS在集成方面优势一下变得很明显。
了解的不多,新手的个人意见,大家一起学习吧
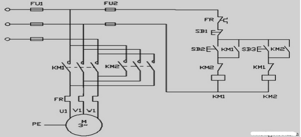
需要西门子PLC控制电机正反转图做参考
西门子PLC控制电机正反转实例:
在该控制线路中,KM1 为正转交流接触器,KM2 为反转交流接触器,SB1 为停止按钮、SB2 为正转控制按钮,SB3 为反转控制按钮。KM1、KM2 常闭触点相互闭锁,当按下SB2 正转按钮时,KM1 得电,电机正转;KM1 的常闭触点断开反转控制回路,此时当按下反转按钮,电机运行方式不变;若要电机反转,必须按下SB1停止按钮,正转交流接触器失电,电机停止,然后再按下反转按钮,电机反转。若要电机正转,也必须先停下来,再来改变运行方式。这样的控制线路的好处在于避免误操作等引起的电源短路故障。
PLC控制电机正反转I/O 分配及硬件接线。
1、接线:按照控制线路的要求,将正转按纽、反转按纽和停止按纽接入PLC 的输入端,将正转继电器和反转继电器接入PLC 的输出端。注意正转、反转控制继电器必须有互锁。
2、编程和下载:在个人计算机运行编程软件STEP 7 Micro-WIN4.0,首先对电机正反转控制程序的I/O 及存储器进行分配和符号表的编辑,然后实现电机正反转控制程序的编制,并通过编程电缆传送到PLC 中。在STEP 7 Micro-WIN4.0 中,单击“查看”视图中的“符号表”,弹出图所示窗口,在符号栏中输入符号名称,中英文都可以,在地址栏中输入寄存器地址。
3、图符号表定义完符号地址后,在程序块中的主程序内输入如下图程序。注意当菜单“察看”中“√符号寻址”选项选中时,输入地址,程序中自动出现的是符号编址。若选中“查看”菜单的“符号信息表”选项,每一个网络中都有程序中相关符号信息。
4、程序监控与调试:通过个人计算机运行编程软件STEP 7 Micro-WIN4.0,在软件中应用程序监控功能和状态监视功能,监测PLC 中的各按纽的输入状态和继电器的输出状态。
5、电机的正反转控制项目结果分析表:注意在硬件接线中必须实现互锁!在PLC 的梯形图中也应实现互锁。试分析仅在梯形图中实现的互锁能否真正避免电源的短路?
有电机的正反转控制项目的基础,可以进一步用西门子S7-200实现小车往返的自动控制。控制过程为:按下启动按钮,小车从左边往右边(右边往左边运动)当运动到右边(左边)碰到右边(左边)的行程开关后小车自动做返回运动,当碰到另一边的行程开关后又做返回运动。如此的往返运动,直到当按下停车按钮后小车停止运动。
设计思路:可以按照电气接线图中的思路来进行编写程序。即可以利用下一个状态来封闭前一个状态。使其两个线圈不会同时动作。同时把行程开关作为一个状态的转换条件。电气接线图如下:
接下来进行程序的编写,首先要进行 I/O口的分配。根据要求,I/O口的分配如下表所示。
I/O口分配好后可以根据上面的电气接线图进行程序的编写。参考程序如下:
西门子S7-300,SF 灯一直是红色。 西门子S7-400,INTF 和EXTF 灯都是红色。 这两种情况是不是都不正常?
SF=System fault 就是报系统故障,INTF应该是内部故障,EXTF是外部故障。你必须知道为啥报故障,你得打开硬配然后在线,然后双击CPU然后找到diagnosis buffer,就是诊断区,然后看具体为啥报这种错误,然后进行修改。
我想问一下 西门子的"simotion" 和数控系统的主要区别有哪些? 多谢了!
数控系统是用于机械加工方面,如机床。应用范围不同。产品的功能也不同,。
SIMOTION是一个全新的西门子运动控制系统,它是世界上第一款针对生产机械而设计的控制系统,将运动控制,逻辑控制及工艺控制功能集成于一身,为生产机械提供了完整的解决方案。
----机械运动越来越复杂,对速度及精度的要求也越来越高。SIMOTION面向的行业主要是包装机械,橡塑机械,锻压机械,纺织机械,以及其他生产机械领域,正是针对复杂运动控制而推出的全新运动控制系统。
----SIMOTION运动控制系统:
由一个系统来完成所有的运动控制任务
适用于具有许多运动部件的机器
----SIMOTION系统具有三个组成部分
工程开发系统
----工程开发系统可以实现由一个系统解决所有运动控制、逻辑及工艺控制的问题,并且它还能够提供所有必要的工具,从编程到参数设定,从测试调试到故障诊断。
实时软件模块
----这些模块提供了众多的运动控制及工艺控制功能。针对某一特定的机器所需的功能,灵活地选择相关的模块。
硬件平台
----硬件平台是SIMOTION运动控制系统的基础。使由工程开发系统所开发的且使用了实时软件模块的应用程序可以运行在不同的硬件平台上,用户可以选择最适合自己机器的硬件平台。
数控系统的概念
数控系统是数字控制系统的简称,英文名称为Numerical Control System,早期是由硬件电路构成的称为硬件数控(Hard NC),1970年代以后,硬件电路元件逐步由专用的计算机代替称为计算机数控系统。
计算机数控(Computerized numerical control,简称CNC)系统是用计算机控制加工功能,实现数值控制的系统。CNC系统根据计算机存储器中存储的控制程序,执行部分或全部数值控制功能,并配有接口电路喝伺服驱动装置的专用计算机系统。
CNC系统由数控程序、输入装置、输出装置、计算机数控装置(CNC装置)、可编程逻辑控制器(PLC)、主轴驱动装置喝进给(伺服)驱动装置(包括检测装置)等组成。CNC系统的核心是CNC装置。由于使用了计算机,系统具有了软件功能,又用PLC代替了传统的机床电器逻辑控制装置,使系统更小巧,其灵活性、通用性、可靠性更好,易于实现复杂的数控功能,使用、维护也方便,并具有与上位机连接及进行远程通信功能。
数控系统的分类
数控系统的种类很多,从不同角度对其进行考查,就有不同的分类方法,通常有以下几种不同的分类方法:
(1) 按控制功能分类
1) 点位控制数控机床
在点位控制数控机床中,工件相对于刀具运动,直到到达零件程序规定的位置后停止,在运动过程中不进行任何加工。刀具在定位点处执行切削任务。点位控制数控系统只准确控制坐标运动的最终位置,而对轨迹不作控制要求。为了精确定位和提高生产率,系统首先高速运行,然后进行减速,使之缓慢趋近定位点以减少定位误差。点位控制数控机床主要有数控钻床、印刷电路板钻孔机、数控镗床、数控冲床、三坐标测量机等。
2) 轮廓控制数控机床
在轮廓控制(连续轨迹)数控机床中,数控系统控制几个坐标轴同时谐调运动(坐标联动),使工件相对于刀具按程序规定的轨迹和速度运动,在运动过程中进行连续切削加工。
可实现联动加工是这类数控机床的本质特征。这类数控机床有数控车床、数控铣床、加工中心等用于加工曲线和曲面形状零件的数控机床。现代的数控机床基本上都是这种类型。若根据其联动轴数还可细分为:2轴联动数控机床、3轴联动数控机床、4轴联动数控机床、5轴联动数控机床。
其中联动轴数越多,数控机床的功能越齐全,可以加工的曲面轮廓越复杂,加工精度和效率越高,但系统控制、程序编制也越复杂,只有使用自动编程系统来编制
数控系统的发展趋势
从1952年美国麻省理工学院研制出第一台试验性数控系统,到现在已走过了半个世纪历程。随着电子技术和控制技术的飞速发展,当今的数控系统功能已经非常强大,与此同时加工技术以及一些其他相关技术的发展对数控系统的发展和进步提出了新的要求。
趋势之一:数控系统向开放式体系结构发展
20世纪90年代以来,由于计算机技术的飞速发展,推动数控技术更快的更新换代。世界上许多数控系统生产厂家利用PC机丰富的软、硬件资源开发开放式体系结构的新一代数控系统。开放式体系结构使数控系统有更好的通用性、柔性、适应性、可扩展性,并可以较容易的实现智能化、网络化。近几年许多国家纷纷研究开发这种系统,如美国科学制造中心(NCMS)与空军共同领导的“下一代工作站/机床控制器体系结构”NGC,欧共体的“自动化系统中开放式体系结构”OSACA,日本的OSEC计划等。开放式体系结构可以大量采用通用微机技术,使编程、操作以及技术升级和更新变得更加简单快捷。开放式体系结构的新一代数控系统,其硬件、软件和总线规范都是对外开放的,数控系统制造商和用户可以根据这些开放的资源进行的系统集成,同时它也为用户根据实际需要灵活配置数控系统带来极大方便,促进了数控系统多档次、多品种的开发和广泛应用,开发生产周期大大缩短。同时,这种数控系统可随CPU升级而升级,而结构可以保持不变。
趋势之二:数控系统向软数控方向发展
现在,实际用于工业现场的数控系统主要有以下四种类型,分别代表了数控技术的不同发展阶段,对不同类型的数控系统进行分析后发现,数控系统不但从封闭体系结构向开放体系结构发展,而且正在从硬数控向软数控方向发展的趋势。
传统数控系统,如FANUC 0系统、MITSUBISHI M50系统、SINUMERIK 810M/T/G系统等。这是一种专用的封闭体系结构的数控系统。目前,这类系统还是占领了制造业的大部分市场。但由于开放体系结构数控系统的发展,传统数控系统的市场正在受到挑战,已逐渐减小。
“PC嵌入NC”结构的开放式数控系统,如FANUC18i、16i系统、SINUMERIK 840D系统、Num1060系统、AB 9/360等数控系统。这是一些数控系统制造商将多年来积累的数控软件技术和当今计算机丰富的软件资源相结合开发的产品。它具有一定的开放性,但由于它的NC部分仍然是传统的数控系统,用户无法介入数控系统的核心。这类系统结构复杂、功能强大,价格昂贵。
“NC嵌入PC”结构的开放式数控系统 它由开放体系结构运动控制卡和PC机共同构成。这种运动控制卡通常选用高速DSP作为CPU,具有很强的运动控制和PLC控制能力。它本身就是一个数控系统,可以单独使用。它开放的函数库供用户在WINDOWS平台下自行开发构造所需的控制系统。因而这种开放结构运动控制卡被广泛应用于制造业自动化控制各个领域。如美国Delta Tau公司用PMAC多轴运动控制卡构造的PMAC-NC数控系统、日本MAZAK公司用三菱电机的MELDASMAGIC 64构造的MAZATROL 640 CNC等。
SOFT型开放式数控系统 这是一种最新开放体系结构的数控系统。它提供给用户最大的选择和灵活性,它的CNC软件全部装在计算机中,而硬件部分仅是计算机与伺服驱动和外部I/O之间的标准化通用接口。就像计算机中可以安装各种品牌的声卡和相应的驱动程序一样。用户可以在WINDOWS NT平台上,利用开放的CNC内核,开发所需的各种功能,构成各种类型的高性能数控系统,与前几种数控系统相比,SOFT型开放式数控系统具有最高的性能价格比,因而最有生命力。通过软件智能替代复杂的硬件,正在成为当代数控系统发展的重要趋势。其典型产品有美国MDSI公司的Open CNC、德国Power Automation公司的PA8000 NT等。
趋势之三:数控系统控制性能向智能化方向发展
智能化是21世纪制造技术发展的一个大方向。随着人工智能在计算机领域的渗透和发展,数控系统引入了自适应控制、模糊系统和神经网络的控制机理,不但具有自动编程、前馈控制、模糊控制、学习控制、自适应控制、工艺参数自动生成、三维刀具补偿、运动参数动态补偿等功能,而且人机界面极为友好,并具有故障诊断专家系统使自诊断和故障监控功能更趋完善。伺服系统智能化的主轴交流驱动和智能化进给伺服装置,能自动识别负载并自动优化调整参数。
世界上正在进行研究的智能化切削加工系统很多,其中日本智能化数控装置研究会针对钻削的智能加工方案具有代表性。
趋势之四:数控系统向网络化方向发展
数控系统的网络化,主要指数控系统与外部的其它控制系统或上位计算机进行网络连接和网络控制。数控系统一般首先面向生产现场和企业内部的局域网,然后再经由因特网通向企业外部,这就是所谓Internet/Intranet技术。
随着网络技术的成熟和发展,最近业界又提出了数字制造的概念。数字制造,又称“e-制造”,是机械制造企业现代化的标志之一,也是国际先进机床制造商当今标准配置的供货方式。随着信息化技术的大量采用,越来越多的国内用户在进口数控机床时要求具有远程通讯服务等功能。
数控系统的网络化进一步促进了柔性自动化制造技术的发展,现代柔性制造系统从点(数控单机、加工中心和数控复合加工机床)、线(FMC、FMS、FTL、FML)向面(工段车间独立制造岛、FA)、体(CIMS、分布式网络集成制造系统)的方向发展。柔性自动化技术以易于联网和集成为目标,同时注重加强单元技术的开拓、完善,数控机床及其构成柔性制造系统能方便地与CAD、CAM、CAPP、MTS联结,向信息集成方向发展,网络系统向开放、集成和智能化方向发展。
趋势之五:数控系统向高可靠性方向发展
随着数控机床网络化应用的日趋广泛,数控系统的高可靠性已经成为数控系统制造商追求的目标。对于每天工作两班的无人工厂而言,如果要求在16小时内连续正常工作,无故障率在P(t)=99%以上,则数控机床的平均无故障运行时间MTBF就必须大于3000小时。我们只对某一台数控机床而言,如主机与数控系统的失效率之比为10:1(数控的可靠比主机高一个数量级)。此时数控系统的MTBF就要大于33333.3小时,而其中的数控装置、主轴及驱动等的MTBF就必须大于10万小时。如果对整条生产线而言,可靠性要求还要更高。
当前国外数控装置的MTBF值已达6000小时以上,驱动装置达30000小时以上,但是,可以看到距理想的目标还有差距。
趋势之六:数控系统向复合化方向发展
在零件加工过程中有大量的无用时间消耗在工件搬运、上下料、安装调整、换刀和主轴的升、降速上,为了尽可能降低这些无用时间,人们希望将不同的加工功能整合在同一台机床上,因此,复合功能的机床成为近年来发展很快的机种。
柔性制造范畴的机床复合加工概念是指将工件一次装夹后,机床便能按照数控加工程序,自动进行同一类工艺方法或不同类工艺方法的多工序加工,以完成一个复杂形状零件的主要乃至全部车、铣、钻、镗、磨、攻丝、铰孔和扩孔等多种加工工序。
普通的数控系统软件针对不同类型的机床使用不同的软件版本,比如Siemens的810M系统和802D系统就有车床版本和铣床版本之分。复合化的要求促使数控系统功能的整合。目前,主流的数控系统开发商都能提供高性能的复合机床数控系统。
趋势之七:数控系统向多轴联动化方向发展
由于在加工自由曲面时,3轴联动控制的机床无法避免切速接近于零的球头铣刀端部参予切削,进而对工件的加工质量造成破坏性影响,而5轴联动控制对球头铣刀的数控编程比较简单,并且能使球头铣刀在铣削3维曲面的过程中始终保持合理的切速,从而显着改善加工表面的粗糙度和大幅度提高加工效率,因此,各大系统开发商不遗余力地开发5轴、6轴联动数控系统,随着5轴联动数控系统和编程软件的成熟和日益普及,5轴联动控制的加工中心和数控铣床已经成为当前的一个开发热点。
最近,国外主要的系统开发商在6轴联动控制系统的研究上已经取得和很大进展,在6轴联动加工中心上可以使用非旋转刀具加工任意形状的三维曲面,且切深可以很薄,但加工效率太低一时尚难实用化。
电子技术、信息技术、网络技术、模糊控制技术的发展使新一代数控系统技术水平大大提高,促进了数控机床产业的蓬勃发展,也促进了现代制造技术的快速发展。数控机床性能在高速度、高精度、高可靠性和复合化、网络化、智能化、柔性化、绿色化方面取得了长足的进步。现代制造业正在迎来一场新的技术革命。
http://www.chuandong.com/cdbbs/2008-1/29/081298E0173137.html
参考资料:http://www.chuandong.com/cdbbs/2008-3/20/08320BA7B3A901.html
西门子logo0ba6和0ba5有什么区别
LOGO是最低端得西门子PLC ,是小型PLC, S7-200比LOGO要高一点,S7-300更高一点,S7-400更高,用于大型系统
十大楼宇自控品牌有哪些
1、十大楼宇自控品牌——第一名:霍尼韦尔(中国)投资有限公司
霍尼韦尔公司是一家在技术和制造业方面占世界领先地位的多元化跨国集团。在全球,其业务涉及:航空产品和服务, 楼宇、家庭和工业控制技术、汽车产品、涡轮增压器、以及特殊材料。霍尼韦尔公司总部位于美国新泽西洲莫里斯镇,在全球将近100个国家开展业务, 拥有120000名员工。霍尼韦尔是构成道琼斯工业指数的30支股票之一, 也是标准普尔500家指数的股票之一。霍尼韦尔公司名列“财富100强”, 2006年全球销售收入达到310亿美元。
2、十大楼宇自控品牌——第二名:江森自控
江森自控是创造智能环境的全球领导者,将创造力融入人们的生活、工作和出行中,业务包括建筑设施效益、专业汽车内饰和动力解决方案。在全球140,000名员工共同努力下,我们的产品和服务已经在2亿多辆汽车、1,200多万个家庭和100多万幢商用建筑物中使用,为125个国家的客户提供服务。江森自控秉持锐意创新的理念,为人们创造一个更舒适、安全和可持续发展的世界。
3、十大楼宇自控品牌——第三名:西门子楼宇科技(天津)有限公司
作为全球楼宇管理、暖通空调控制、安防和消防系统的市场 领导者,我们为世界各地的客户提供创新解决方案,这些解决方案能够增强住户的舒适性和安全性,并优化楼宇设施的管理,提高能源效率。
4、十大楼宇自控品牌——第四名:施耐德电气TAC
TAC公司,施耐德电气旗下公司之一,是世界领先的基于开放式集成IT方案的楼宇自动化解决方案的供应商。公司总部位于瑞典马尔默,在HVAC、楼宇自动化和安全领域等有着超过80年的历史,在全球80个国家有合作伙伴和分公司并拥有超过5,000多名员工。通过改善室内环境、安全和能源利用以及提供高端技术等建筑环境服务,为全球的最终用户和业主提供高附加值的建筑物是TAC公司的使命。
5、十大楼宇自控品牌——第五名:科明发展(天津)有限公司
科明发展(天津)有限公司是美国KMC控制有限公司在中国大陆的合资公司,作为建筑自控系统专业公司,科明公司始终按照用户的要求和希望,把建立完美的设备管理自动化系统作为我们设计与集成的目标。诸多工程项目及其运行效果充分证明:本公司的产品和系统稳定性强、可靠性高,便于工程设计与实施。
6、十大楼宇自控品牌——第六名:加拿大Delta控制有限责任公司
加拿大Delta控制公司的前身是ESC能源系统顾问、咨询公司,致力于建筑节能技术的应用,成立于1980年;Delta控制公司成立于1987年,致力于研发和生产行业技术领先的BA硬件和软件产品,总部位于加拿大温哥华。
7、十大楼宇自控品牌——第七名:美国亚司艾自控有限公司
美国亚司艾自控(ASI Controls)是应用网络微处理器技术进行楼宇管理与控制的专业楼宇自控产品生产商。公司成立于1986年,总部位于美国加利福尼亚洲,全球各大城市皆有分公司或服务机构,确保我们的服务及时到位。ASI产品足迹遍布中国、东南亚、欧美等世界各地。美国亚司艾自控依据中国总部上海的优势,分别在北京、天津、苏州、杭州、武汉、成都、济南设立技术服务中心,强大技术支持队伍、广泛的营销网络、完善施工队伍,以及性价比优良的产品,使ASI(亚司艾)品牌连续两年荣获“楼宇自控十佳”称号。
8、十大楼宇自控品牌——第八名:可信自控
可信自控(Reliable Controls Corporation )面向全球与中国,集产品研发、生产和物流配售,向客户提供贴近实用的楼宇科技产品。公司成立于1986年,公司总部设在加拿大BC省府维多利亚市。在全球16个国家拥有分支机构,300个代理商。用户涉及商业、金融、政府、医院、教育、酒店、体育娱乐业、工业、农业、实验研究中心等各个行业和领域,全球累计客户上万名。
9、十大楼宇自控品牌——第九名:浙江中控电子技术有限公司
浙大中控创建于1993年,是一家集自动化、信息技术与产品的科研开发、生产制造、市场营销及工程服务为一体的国家级高科技企业。作为首批“国家863计划产业化基地”之一,多年来,浙大中控还被认定为国家火炬计划重点高新技术企业、国家规划布局内重点软件企业、国家高新软件园重点骨干企业等。产品广泛应用于化工、炼油、石化、冶金、电力等流程工业企业,以及智能交通、智能建筑及教育领域等公共事业部门。浙大中控致力于工业IT技术和产品的开发,力求为用户提供从工厂类自动化到非工厂类自动化的整体解决方案。
10、十大楼宇自控品牌——第十名:同方股份有限公司
同方节能技术公司依托同方多年来在能量计量、设备控制管理行业的应用积累,通过自主技术转化,核心产品成套,建立了一套以“高效、节能、舒适”为目标的系列产品。2005年,同方与新加坡经济技术开发署合作,通过在新加坡建立了能源环境和资讯服务产业的研发生产基地,实现了控制产品的国际化。
转载请注明出处51数据库 » 西门子ba系统软件教程 BA工程师是做什么的啊
嗫?暁雲?






