步进电机的驱动电路本来就是靠时钟脉冲控制的,每个脉冲动一步,可以使用按钮产生这个脉冲,也可以使用脉冲发生器,如果要让它刚好转一圈,可以用带计数的脉冲发生器,比如一圈需要180个脉冲,可以让它发180个脉冲后停下来,这样就刚好转了一圈,前提是步进电机没有发生失步的问题。一般如果负载没有超过电机的扭矩是不会失步的。
异步电机如果不配合电动刹车之类的部件,由于惯性作用仍会继续旋转,因而不能实现这种要求,即使有光电或其它传感器也不行。
如果对速度和精度要求不高,可以使用减速器,这样控制的精确度会有所提高,但是仍然比不上步进电机的效果。
步进电机本身在锁定相位时就可以起到锁步的效果,除非施加了超过扭矩的外力才会跳到其它步的位置。
如果对方向有要求,即使是步进电机也应该有一个过零检测的光电或其它传感器,这样设备可以自动获知轴有没有转到正确的方向上的信息。
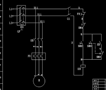
设计一个即能点动又能连续运行的电动机控制电路
可以设计一个即能点动又能连续运行的电动机控制电路,如图:
元器件作用:
断路器QF作为电路的短路保护;
Q1作为控制回路的短路保护;
交流接触器KM作为电动机接通与断开,并具有欠压、失压保护;
热继电器FR作为电动机的过载保护;
停止按钮SB1作为电机的停止;
启动按钮SB2作为电机的连续启动;
点动按钮SB3作为电机的点动启动;
选择开关SA作为连续控制、点动控制的选择。
电动机:
电动机(Motor)是把电能转换成机械能的一种设备。它是利用通电线圈(也就是定子绕组)产生旋转磁场并作用于转子(如鼠笼式闭合铝框)形成磁电动力旋转扭矩。电动机按使用电源不同分为直流电动机和交流电动机,电力系统中的电动机大部分是交流电机,可以是同步电机或者是异步电机(电机定子磁场转速与转子旋转转速不保持同步速)。电动机主要由定子与转子组成,通电导线在磁场中受力运动的方向跟电流方向和磁感线(磁场方向)方向有关。
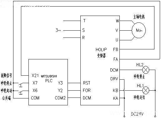
请问控制电动机的变频器的控制电路怎么设计啊
控制用2个按钮一个启动,一个停止,用PLC控制更好可以编入很多程序.信号灯指示.
变频器故障时有自动保护.
步进电机控制器设计
用一个整流器电源+步进电机细分器+运动控制卡即可.
整流器电源:把220V的交流整流成24V.
细分器:将电流细分了若干分:如400,800,1600等
运动控制卡:控制步进电机运动,一般带软件,软件上能步数显示和步数控制电路,能控制电机运转到预置的步数时即停止转动,或运转到预定圈数时停转.如雷赛运动卡.
步进电机控制器的设计
步进电机的驱动电路本来就是靠时钟脉冲控制的,每个脉冲动一步,可以使用按钮产生这个脉冲,也可以使用脉冲发生器,如果要让它刚好转一圈,可以用带计数的脉冲发生器,比如一圈需要180个脉冲,可以让它发180个脉冲后停下来,这样就刚好转了一圈,前提是步进电机没有发生失步的问题。一般如果负载没有超过电机的扭矩是不会失步的。
异步电机如果不配合电动刹车之类的部件,由于惯性作用仍会继续旋转,因而不能实现这种要求,即使有光电或其它传感器也不行。
如果对速度和精度要求不高,可以使用减速器,这样控制的精确度会有所提高,但是仍然比不上步进电机的效果。
步进电机本身在锁定相位时就可以起到锁步的效果,除非施加了超过扭矩的外力才会跳到其它步的位置。
如果对方向有要求,即使是步进电机也应该有一个过零检测的光电或其它传感器,这样设备可以自动获知轴有没有转到正确的方向上的信息。
四台电动机控制程序的设计
附上GX WORKS2文件一份
Y1-Y4分别为 4 台电机
有没有外围接线图的设计啊?
这个很简单啊~ PLC选用三菱FX2N。
X0 和 X1 接按钮开关,Y1-Y4接相应继电器就好了。
“顺序功能图”应该就是“时序图”了吧,这个时序图已经简单得不能再简单了,好好画画吧
步进电机控制器设计(需要图形界面控制)
加图形界面的话,用Vb写程序好了。
但是由于Vb无法直接读写底层硬件端口,如果要通过VB访问并口,可以借助支持底层硬件的动态链接库文件进行访问。采用dll这个可操作并口的动态链接库来实现VB对并口的访问,使并口的数据端口按照要求输出高电平或低电平,形成脉冲输出或转向输出,从而控制步进电机。
ps 你的步进电机驱动器的型号是?
我最近正在做一个用VB实现并口控制步进电机的程序,驱动器型号是JK402M,一起探讨探讨? 我Q 396967609
无刷电机控制器设计涉及哪些内容
电机调速控制系统设计需要具备哪些专业知识
无刷直流电机(简称BLDCM)是一种新型的机电一体化产品,它既具备异步电机结构简单、运行可靠和维护方便的特点,又具有直流电机调速性能好的优点,因此综合运用自动控制、嵌入式系统等技术实现无刷直流电机控制具有重要的理论研究价值和实践应用意义。 本文在掌握无刷直流电机工作原理,并比较分析目前关于无刷直流电机控制系统研究成果的基础上,对无刷直流电机调速控制系统进行了重点研究。利用无刷直流电机的相变量建立其数学模型,提出具体的调速控制方法,并在此基础上分析无刷直流电机的诸多特点。 本文以无刷直流电机调速控制系统在焊接行走设备中的应用为研究背景,设计了一种基于DSP的无刷直流电机调速控制系统。整个直流控制系统的设计采用的双闭环控制,系统外环为转速环,内环为电流环。设计了一种基于控制量调节的Fuzzy-PI控制方法并将其应用在转速环中。该方法主要是根据系统给定速度与反馈速度之间的偏差量取值范围来决定使用模糊控制方法还是带死区的PI控制方法。在模糊控制器中,使用Mamdani关系生成方法并且经过大量实验得到一种基于该系统的模糊控制规则。运用MATLAB/Simulink工具对该系统进行仿真,仿真结果表明,该系统响应速度快,基本无超调,抗干扰能力强,具有较高的控制品质。 系统的主控制器选用的是TMS320F2812数字信号处理器,设计了组成该系统所需要的电源转换电路、电流采样电路、开关电路、位置检测电路等,从而实现该无刷直流电机调速控制。电路设计主要是依据集成度高,电路简单,抗干扰能力强,鲁棒性好等特点进行设计的,并且应用在无刷直流电机调速控制系统中。根据整个系统的实现功能进行设计,给出具体的设计流程。
转载请注明出处51数据库 » 电机控制软件设计 步进电机控制器的设计
他后妈的妈





